+91 - 9925120927
info@preetent.in
Locate Us
Home
About us
Products
GR Couplings
GS Couplings
GR / GS Coupling Spider
Rigid Couplings
Flexible Steel Lamina Couplings
Split Muff Couplings
Taper Lock Keyless Bush
Services
Applications
Downloads
Contact
Get a Quote
Home
About us
Products
GR Couplings
GS Couplings
GR / GS Coupling Spider
Rigid Couplings
Flexible Steel Lamina Couplings
Split Muff Couplings
Taper Lock Keyless Bush
Services
Applications
Downloads
Contact
Home
Flexible Steel Lamina Couplings
Flexible Steel Lamina Couplings
Technical Data
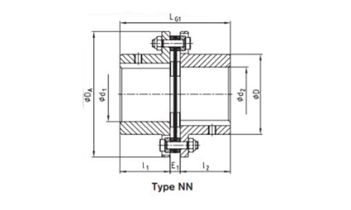
Flexible Steel Lamina Couplings N Types NN, NANA 1, NANA 2
Size
Maximum finish bore
Dimensions [mm]
d
1
/d
2
D
D
A
l
1
/l
2
L
G1
E
1
L
G2
E
2
L
G3
E
3
20
20
32
56
20
45
5
100
60
-
-
25
25
40
68
25
56
6
110
60
-
-
35
35
54
82
40
86
6
150
70
-
-
38
38
58
94
45
98
8
170
80
-
-
42
42
68
104
45
100
10
170
80
-
-
50
50
78
126
55
121
11
106
96
-
-
60
60
88
138
55
121
11
106
96
170
60
70
70
102
156
65
141
11
246
116
200
70
80
80
117
179
75
164
14
286
136
233
83
85
85
123
191
80
175
15
300
140
246
86
90
90
132
210
80
175
15
300
140
251
91
105
105
147
225
90
200
20
340
160
281
101
115
115
163
265
100
223
23
370
170
309
109
Get a Quote
Get a free quote for your industrial or engineering business solutions, We are here 24/7.
Select Needed Service
Services One
Services Two
Send Now
Back to Home